Механізм замка CISA 46230.25 бочка (BS25мм, 22 мм) нержавіюча сталь

CISA 46230 – це замок, який встановлюється врізним методом у вхідні розпашні двері з алюмінію або металу. За потреби його можна використати і у хвіртках. Товщина корпуса складає всього 19 мм. Використовується в якості основного замка. Керується лише серцевиною стандарту EURO DIN. Вона в комплект не входить та докуповується окремо в залежності від Ваших потреб.
У відчиненому стані фіксується за допомогою роликової заскочки у вигляді бочки. Довжина її виходу регулюється. Використовується із ручками-скобами або фіксованими ручками на планці чи розеті. Замикання здійснюється одним прямокутним відкидним ригелем. Він оснащений пристроєм блокування, що ускладнює його злам підняттям.
Корпус замка виготовлений із оцинкованої сталі. Бочка і ригель захищені нікельованим покриттям. Це створює додатковий захист від корозії та робить замок зносостійким.
Особливості:
- Встановлюється у вхідні алюмінієві й металеві двері та хвіртки.
- Підходить для ліво та правосторонніх дверей.
- Керується серцевиною.
- Матеріал замка – оцинкована сталь.
- Матеріал торцевої планки – нержавіюча сталь.
- Один прямокутний відкидний ригель із захистом від підняття.
- Нікельоване покриття бочки і ригеля – захист від корозії.
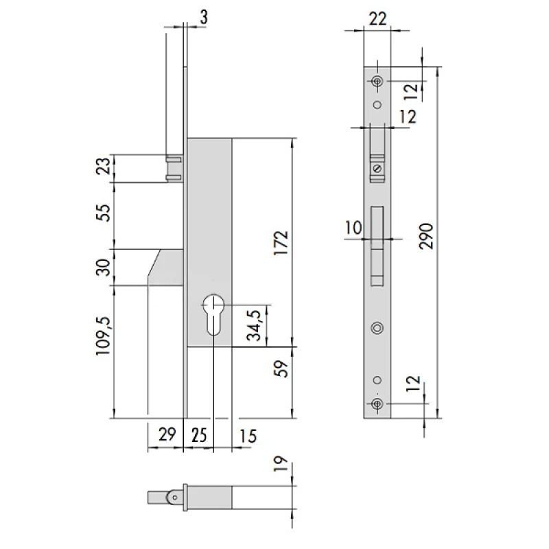
- Вихід ригеля – 29 мм.
- Ширина торцевої планки – 22 мм.
- Бексет – 25 мм.
- Товщина корпусу – 19 мм.
- Розмір торцевої планки – 290х22 мм.
- Колір торцевої планки – нержавіюча сталь.
- Сертифікований відповідно до європейського стандарту EN12209:03 за 3-м ступенем захисту – 500 кг при бічному поштовху та 400 кг при поштовху знизу.
- Підходить для дверей, які сертифіковані за стандартом EN1627:2011.
- Застосовується з ручками-скобами або не натискними ручками на планці чи розеті.
- Заглушки для спеціальних профілів дверей в комплекті.
- Країна виробник – Італія.
- Механізм замка.
- Нейлонові накладки.
- Заглушки.
- Гвинти кріплення.
Немає відгуків про цей товар.
Немає відгуків про цей товар, станьте першим, залиште свій відгук.
Немає питань про даний товар, станьте першим і задайте своє питання.