Электромеханический замок антипаника CISA Mito Panic 13110 (BS65мм)

CISA 13110 – это электромеханический врезной замок серии Mito Panic с функцией антипаники. Предназначен для использования в дверях эвакуационных выходов с антипаникой врезного монтажа серий 59600 и 59711. Устанавливается в стальные одностворчатые дверные полотна или в активную створку двухстворчатых дверей. Подходит для правой и левой двери – сторонность меняется переворачиванием замка.
Имеет 2 независимых отверстия под стержни ручек с обеих сторон. Это позволяет управлять ими независимо друг от друга. С внутренней стороны открывается антипаникой простым нажатием на нее независимо от того открытый или закрытый замок. С наружной – ручкой после разблокировки сердцевиной или электрическим импульсом. Замок работает в нормально замкнутом состоянии (НО). Это означает, что снаружи он заперт без питания, а отпирание происходит подачей напряжения, которое дает устройство управления. В его качестве могут выступать системы контроля доступа или удаленное устройство (реле времени, кодонаборная панель или кнопки).
Язычок, торцевая планка и все внутренние элементы изготовлены из оцинкованной стали. Это позволяет использовать замок и на противопожарных дверях. Также замок сертифицирован по европейскому стандарту EN 14846:2008. Это гарантирует его надежность и соответствие высоким требованиям безопасности. Замок рассчитан на ресурс в 200 000 циклов открывания-закрывания. Это делает его идеальным выбором для объектов с высокой проходимостью людей, где необходима максимальная надежность и стабильность в работе в течение длительного периода времени. Также замок обладает высокой стойкостью к коррозии.
Особенности:
- Электромеханический замок с функцией антипаники: 2 независимых отверстия под стержни ручек с обеих сторон.
- С внутренней стороны язычок управляется устройством антипаники.
- С наружной стороны язычок управляется электрическим импульсом или ключом.
- Снаружи замок нормально замкнут (НЗ) – закрыт без питания, отпирание происходит подачей напряжения.
- Материал язычка и внутренних элементов – оцинкованная сталь.
- Материал торцевой планки – оцинкованная сталь.
- Для дверей эвакуационных выходов любой посторонности весом до 200 кг.
- Подходит для одностворчатой и активной створки двухстворчатой двери.
- Используется с антипаникой врезного типа серий 59600 и 59711.
- Снаружи ставится фиксированная ручка или скоба.
- Подходит для противопожарных дверей.
- Способ монтажа – врезной.
- Место монтажа – нижний (основной).
- Способ фиксации – язычок.
- Механизм закрывания – сердцевиной.
- Комплектность замка – только механизм.
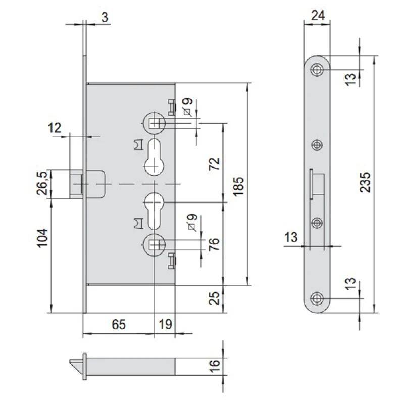
- Выход язычка – 12 мм.
- Бексет – 65 мм.
- Межосевое расстояние – 72 мм.
- Отверстие под шток – 9х9 мм.
- Диапазон стабилизированного рабочего напряжения – 12V DC.
- Эффективная работа электрозамка не гарантируется при напряжении на входе ниже 8V.
- Потребление – 800 mA.
- Возможность регулировки времени открытия с помощью таймера.
- Сердцевина в комплект не входит.
- Сертифицирован по европейскому стандарту EN 14846:2008.
- Маркировка CE на торцевой планке в соответствии с регламентом 305/2011.
- Сертифицирован на 200 000 циклов открывания/закрывания.
- Рекомендуется для использования в местах с большой интенсивностью движения людей.
- Высокая коррозионная стойкость при наружной температуре от -10° до +55°С. (240 часов).
- Страна производитель – Италия.
- Механизм замка.
Нет отзывов о данном товаре.
Нет отзывов о данном товаре, станьте первым, оставьте свой отзыв.
Нет вопросов о данном товаре, станьте первым и задайте свой вопрос.