Вы смотрели
Каталог товаров
Клиенту
Язык:
+380665683936
Наш адрес
Фортеця – системы безопасности м. Киев, проспект Григоренко 16 (только онлайн)
Телефоны:
Время работы
  • пн-пт: 10:00 до 19:00
  • сб-нд: 10:00-17:00
Наши мессенджеры
Перейти в контакты
0 0
Каталог
Главная
Смотрели
1
Закладки
0
Сравнить
0
Контакты

Девиатор CISA 06437.00 без торцевой планки 1 ригель

Производитель: Cisa Код товара: 29111-01
Все о товаре
Описание
Отзывы 0
Вопросы0
Есть в наличии
2 213 грн.
Купить этот товар в 1 клик:
Доставка
Курьером по городу Киеву Курьером по городу Киеву
бесплатно от 3500 грн
Новой почтой в отделения и почтоматы Новой почтой в отделения и почтоматы
от 75 ₴
Оплата
наличными наличными
Служба поддержки
Служба поддержки клиентов
Девиатор CISA 06437.00 без торцевой планки 1 ригель
2 213 грн.
Описание

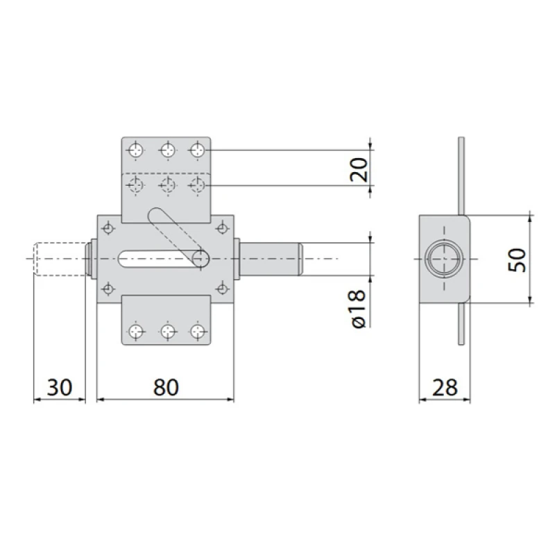
CISA 06437.00 – это врезной девиатор итальянского производства, обеспечивающий дополнительное запирание двери при перемещении тяг основного замка. Соединяется с основным замком при помощи телескопических тяг CISA 06425.06. Используется в металлической двери для создания дополнительных точек запирания, что значительно повышает уровень безопасности. Монтируется в верхней и нижней части дверного полотна.

Девиатор CISA 06437.00 применяется во входной двери квартир, офисов, частных домов, технических и складских помещений. Его использование значительно увеличивает время открывания дверей силовыми методами. Размер выхода одного ригеля – 30 мм. Универсальный – устанавливается как на левую, так и правую дверь.

Особенности: 

  • Врезной девиатор для дополнительной точки замыкания. 
  • Изготовлен из стали. 
  • Имеет один стальной круглый ригель диаметром Ø 18 мм. 
  • Выход ригеля – 30 мм. 
  • Размер девиатора – 80*50 мм. 
  • Отсутствует торцевая планка. 
  • Активируется при повороте ключа в основном замке через систему тяг. 
  • Имеются отверстия для крепления тяг. 
  • Соединяется с основным замком при помощи телескопических тяг CISA 06425.06 (докупаются отдельно). 
  • Универсальный – подходит для левой и правой двери. 
  • Устанавливается совместно с основным замком CISA или совместимыми моделями других производителей.
Комплектация: 
  • Механизм девиатора CISA 06437.00.
Отзывы

Нет отзывов о данном товаре.

Нет отзывов о данном товаре, станьте первым, оставьте свой отзыв.

Вопросы и ответы
Добавьте вопрос, и мы ответим в ближайшее время.

Нет вопросов о данном товаре, станьте первым и задайте свой вопрос.

Клиентский сервис
Клиентский сервис Служба поддержки клиентов
Гарантия качества
Гарантия качества Весь товар в наличии и проверен на знак качества
Быстрая доставка
Быстрая доставка Быстрая доставка по всей стране на следующий день
Бонуси за покупки
Бонуси за покупки Покупай акционные товары и получи бонусы
Доступные цены
Доступные цены Лучшие цены на рынке благодаря прямым поставкам
Удобная оплата
Удобная оплата Безналичная оплата или наложенный платеж при получении
Ви смотрели
2 213 грн.